Перейти к содержанию

Метка измерения

Метка измерения – инструмент, позволяющий отобразить на схеме значения потенциалов узлов и номиналы токов, текущих через компоненты, после выполнения следующих анализов схемы:

  • рабочая точка (OP);
  • статический анализ (DC);
  • анализ гармонического режима (ACP);
  • анализ переходных процессов (TR);
  • анализ периодических режимов (PSS);
  • частотный анализ (AC).

Метка измерения может прикрепляться к цепи или компоненту схемы, автоматически отображая, соответственно, значение потенциала узла или тока, проходящего через компонент.
Установка метки на свободном месте листа схемы позволяет выбрать параметр из выпадающего списка, содержащего все цепи и компоненты схемы, в панели «Свойства».
Вызов инструмента «Метка измерения» осуществляется из главного меню «SimOne» → «Метка измерения», см. Рис. 1.

Рис. 1 Вызов инструмента «Метка измерения»
Рис. 1 Вызов инструмента «Метка измерения»

Для размещения метки измерения выполните следующие действия:

Пример! Применение метки измерения на примере проекта «Split Time-Constant RC Circuit (RC)» из «Все проекты» → «Примеры» → «Моделирование».

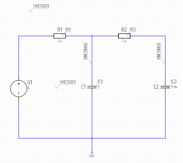
  1. Откройте схему и добавьте несколько меток измерения, см. Рис. 2.
Рис. 2 Добавление меток измерения на схему
Рис. 2 Добавление меток измерения на схему

Шести размещенным на схеме меткам измерения, прикрепленным к конкретным цепям и компонентам, присвоены параметры, отображаемые на метке и в панели «Свойства» при выборе соответствующей метки, см. Рис. 3.

Рис. 3 Отображение параметра метки измерения
Рис. 3 Отображение параметра метки измерения

Две метки были добавлены на схему без привязки к компоненту или цепи. По умолчанию они будут отображать значение потенциала узла цепи NET0001.
2. Измените у одной из меток, размещенных без привязки к цепи или компоненту, в панели «Свойства» параметр с заданного по умолчанию на I(V1), чтобы после запуска моделирования увидеть значение тока на батарее G1, см. Рис. 4.

Рис. 4 Выбор метки измерения для замены параметра
Рис. 4 Выбор метки измерения для замены параметра

Значение параметра метки будет изменено на выбранное из списка в панели «Свойства», см. Рис. 5.

Рис. 5 Изменение параметра метки
Рис. 5 Изменение параметра метки
  1. Сохраните проект и запустите анализ переходных процессов euler.
    По окончании анализа снова перейдите на схему. Рядом с метками измерений будут отображены соответствующие тексту в метках значения параметров, полученные в результате проведенного моделирования, см. Рис. 6.
Рис. 6 Отображение рассчитанных значений параметров
Рис. 6 Отображение рассчитанных значений параметров
  1. Запустите анализ переходных процессов gear.
    По окончании анализа снова перейдите на схему. Рядом с метками измерений будут отображены соответствующие тексту в метках (измененные) значения параметров, полученные в результате проведенного моделирования, см. Рис. 7.
Рис. 7 Отображение рассчитанных значений параметров
Рис. 7 Отображение рассчитанных значений параметров

В дальнейшем при повторном открытии схемы метки изменений будут расставлены как в последней сессии работы со схемой, однако метки будут отображены без посчитанных ранее параметров.
Значения параметров берутся из результатов текущего активного моделирования.

Примечание! При импорте проект также будет сохранен и выгружен без значений параметров меток измерения. Расположение и принадлежность меток измерений цепи или компоненту (при наличии таковой принадлежности) будет сохранено.